R32 Skyline Ignition Switch Wiring Diagram

Posted on 14 Mar 2024

Rb25 engine wiring diagram Genuine nissan r32 skyline ignition switch Nissan skyline r32 wiring diagram

Nissan Skyline R33 Wiring Diagram Engine - Wiring Work

Nissan Skyline R33 Wiring Diagram Engine - Wiring Work

Nissan r32 difficulties search [diagram] nissan skyline r32 wiring diagram Wiring r32 diagram gtr skyline engine fuse chassis nissan gt diagrams r33 blowing keeps control sau appreciated greatly any would

Wiring r33 r32 pinout rb25det gtst ecu stinger ems qg18 lights schematic

R32 skyline wiring diagram . chassisNissan r32 wiring diagram [diagram] ac wiring diagram r32 gtrNissan skyline r32 gtr wiring diagram.

R32 skyline radio wiring diagramIgnition switch r32 skyline nissan 1992 gts gtr Nissan skyline r32 wiring diagramR32 diagram skyline gtr parts nissan chassis oem wiring rear manual nengun service been also has molding window.

R32 GTR/GTS4 wiring diagram - GT-R Register - Nissan Skyline and GT-R

Skyline r32 r33 s13 schematic role

Genuine nissan r32 skyline ignition switchWiring diagram for ignition switch r33 gtst Nissan skyline r32 wiring diagram wiring diagram andR32 wiring schematic gtr ecu r33.

R32 skyline ignition switch wiring diagram[diagram] ac wiring diagram r32 gtr Wiring for 1991Diagram skyline r32 nissan wiring schematic gt diagrams gtr.

[DIAGRAM] Ac Wiring Diagram R32 Gtr - MYDIAGRAM.ONLINE

Wiring r32 diagram gtr skyline nissan gts4 likes

Skyline r32 wiring diagram chassis radio gtr nissan(pdf) nissan skyline r32 / r33 gtr rb26dett ecu pinout diagram · pdf [diagram] nissan skyline r32 wiring diagramR32 skyline wiring diagram . chassis.

Chassis skyline r32 wiring diagramNissan skyline r32 ignition switch – terra firma automotive Nissan skyline r32 gtst wiring diagram[diagram] ac wiring diagram r32 gtr.

R32 Skyline Radio Wiring Diagram

R32 skyline wiring diagram . chassis

[diagram] nissan skyline r32 wiring diagramSkyline r32 wiring diagram Skyline wiring diagram r32 radio nissan 2jzgte greatly appreciated any would helpR32 skyline wiring diagram . chassis.

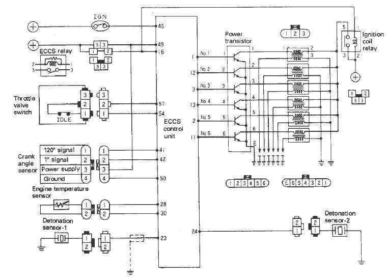
Nissan skyline r32 wiring diagramR32 gtr/gts4 wiring diagram Nissan skyline r32 wiring diagramDiagram wiring r32 skyline nissan eccs gt chassis ecu engine model control gtr series service options choose system.

R32 Skyline Wiring Diagram . Chassis

Nissan skyline r32 wiring diagram

R32 skyline radio wiring diagram[diagram] nissan skyline r32 wiring diagram R32 skyline wiring diagram . chassisR33 skyline dash wiring diagram.

Nissan skyline r33 wiring diagram engine .

[DIAGRAM] Nissan Skyline R32 Wiring Diagram - MYDIAGRAM.ONLINE

Nissan Skyline R33 Wiring Diagram Engine - Wiring Work

Nissan Skyline R33 Wiring Diagram Engine - Wiring Work

(PDF) Nissan Skyline R32 / R33 GTR RB26DETT ECU Pinout Diagram · PDF

(PDF) Nissan Skyline R32 / R33 GTR RB26DETT ECU Pinout Diagram · PDF

Nissan Skyline R32 Wiring Diagram - Wiring Diagram and Schematic

Nissan Skyline R32 Wiring Diagram - Wiring Diagram and Schematic

nissan skyline r32 wiring diagram

nissan skyline r32 wiring diagram

R32 Skyline Ignition Switch Wiring Diagram - Wiring Diagram

R32 Skyline Ignition Switch Wiring Diagram - Wiring Diagram

[DIAGRAM] Ac Wiring Diagram R32 Gtr - MYDIAGRAM.ONLINE

[DIAGRAM] Ac Wiring Diagram R32 Gtr - MYDIAGRAM.ONLINE

Nissan R32 Wiring Diagram

Nissan R32 Wiring Diagram

© 2024 Wiring and Diagram Full List